
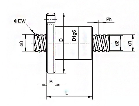
山东乐乐机械有限公司
(不限于以下型号,均可制作左旋、右旋、左右旋,特殊尺寸可定制)
CUSTOMIZATION PROCESS OF MICRO BALL SCREW
沟通需求
COMMUNICATION NEEDS
提供样品
PROVIDE SAMPLES
确认样品
CONFIRM SAMPLE
安排生产
SCHEDULE PRODUCTION
确认交期
CONFIRM DELIVERY DATE
物流配送
LOGISTICS DISTRIBUTION
更多产品展示
一站式采购--各种产品任您选,制作行业多年的生产厂家
专注铸就品质、实力创造高度,我们提供高品质产品
Focusing on creating quality and strength to create heights, we provide high-quality products
Advantage-1
Advantage-2
Advantage-3
Advantage-4
Advantage-5
Advantage-6
Advantage-7
ABOUT US
山东乐乐机械·公司简介
山东乐乐机械有限公司,企业核心:诚信,细节决定成败,细微之处见真情。企业精神:团结拼搏、锐意进取、以人为本、科技进步。企业价值观:诚信、创新、专业、服务。客户:为客户提供高质量和最大价值的专业化产品和服务,以真诚的服务和过硬的实力赢得客户的理解、尊重和支持。市场:为客户降低采购成本和风险,为客户投资提供切实保障。发展:追求永续发展的目标,并把它建立在客户满意的基础上。关于 “诚实、宽容、创新、服务” 公司认为诚信是一切合作的基础,宽容是解决问题的前提,创新是发展事业的利器,服务是创造价值的根本。公司会坚持持续改进、满足顾客期望、确保品质第一、开拓全球市场。
现代化的仓储管理,科学的管理体系,严格检测进出货商品,以丰富行业知识为您服务。
Modern warehouse management, scientific management system, strict inspection of incoming and outgoing goods, to enrich industry knowledge and serve you.
拥有多种规格的产品
支持定制
可按需加工
Having multiple specifications of products
Support customization and on-demand processing
深耕专业生产领域,以成熟技术与严苛标准把控每一环,为客户交付稳定可靠的优质产品。
Deeply cultivating the professional production field, controlling every aspect with mature technology and strict standards, and delivering stable and reliable high-quality products to customers.
根据和客户沟通时间严格按照约定,准时发货产品出货均经过检查购买放心
According to the communication time with the customer, strictly follow the agreement and ship on time. All product shipments have been inspected, so you can rest assured when purchasing